台达PLC控制步进电机
1. 硬件
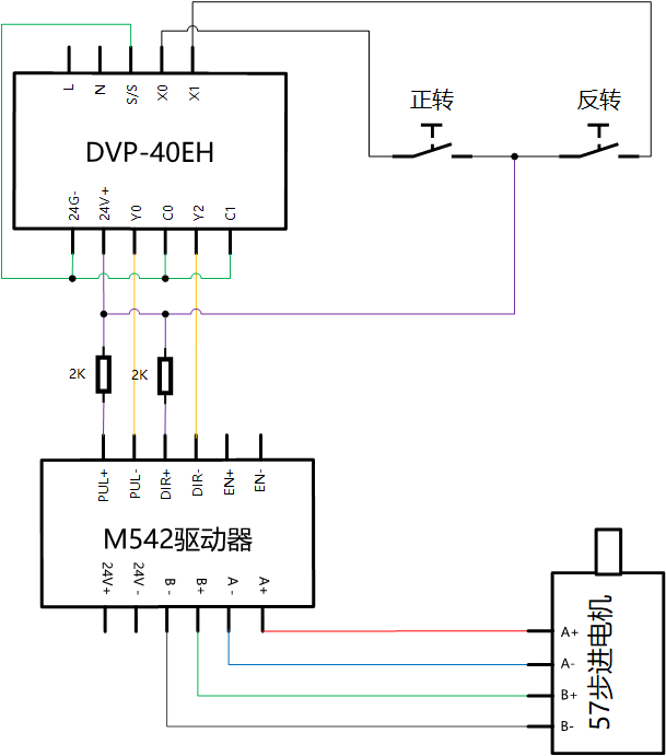
- 1.1 台达PLC
型号: DVP-40EH00T2
- 1.2 驱动器
型号: 雷赛 M542
端子名称及说明如下(仅参考,以说明书为准):
| 名称 | 符号 | 备注 |
|---|---|---|
| 24V电源 | DC+、DC- | 接DC24V电源 |
| 电机接口 | A+、A-、B+、B- | 接电机 |
| 使能端子 | PUL+、PUL- | 5v |
| 脉冲端子 | DIR+、DIR- | 5V |
| 转向端子 | EN+、EN- | 5V |
注:
使能端这里用不到,可以悬空
脉冲和转向电压要求是5V,接24V需要串一个2K电阻。
1.3 电机
型号: 57BYG250C
2. 梯形图
IO清单:
| 名称 | 说明 | 备注 |
|---|---|---|
| X0 | 正转 | |
| X1 | 反转 | |
| Y0 | 脉冲输出 | |
| Y2 | 换向输出 |
3. 接线图